炒股软件指南针怎么样-最近好的股票推荐一下-【东方资本】,配资加杠杆是什么意思啊,股票文案短句,今天值得入手的股票
HOME
PRODUCT CENTER
New Arrival
Switch
Thermostat
Valve
Pump
Solenoid
SOLUTION
SERVICE
NEWS
ABOUT DAWEI
CONTACT US
中文
English
HOME
>
PRODUCT CENTER
>
Micro Switch
>
DMS03 Series
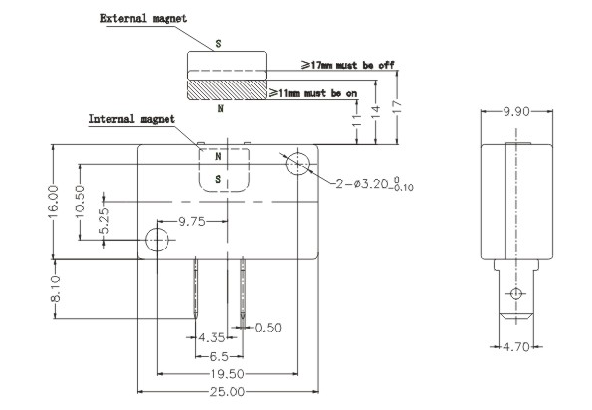
DMS03 Series
SPECIFICATION
Product Center
Service
News
About
Switch
Support
News
Profile
AC Connector
Partner
Media
History
Thermostat
Download
Solution
Culture
Eletromagnetic Valve
Honour
New Arrival
Join us
Video
Contact US
No. 12 Yonghe Second Road, Chengdong Industrial Function Zone, Chengdong Street, Yueqing City, Zhejiang, China. 325600
Tel:+86-0577-62111777 62113888
Email:zjb@daweiele.com
Copyright © 2016 All right reserved Zhejiang Dawei Electronic Co., Ltd. 浙ICP備11061228號-1