炒股软件指南针怎么样-最近好的股票推荐一下-【东方资本】,配资加杠杆是什么意思啊,股票文案短句,今天值得入手的股票

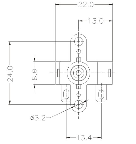
DPS09系列
SPECIFICATION