炒股软件指南针怎么样-最近好的股票推荐一下-【东方资本】,配资加杠杆是什么意思啊,股票文案短句,今天值得入手的股票
首頁
產品中心
新品上市
器具開關
器具耦合器
溫控器
閥
泵
解決方案
優質服務
新聞動態
關于我們
聯系我們
中文
English
首頁
>
產品中心
>
按鈕開關
>
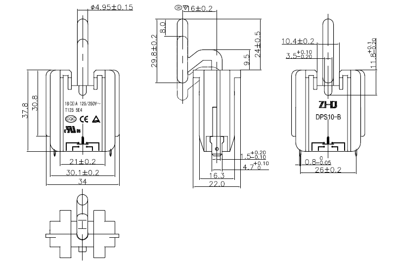
DPS10-B系列
DPS10-B系列
SPECIFICATION
產品中心
優質服務
新聞動態
關于我們
器具開關
服務支持
公司要聞
企業簡介
器具耦合器
合作伙伴
媒體聚焦
發展歷程
溫控器
資料下載
解決方案
企業文化
電磁閥
榮譽資質
新品上市
人才招聘
視頻中心
聯系我們
電話:18767723687(趙先生)座機:+86-0577-57578051
廣東區:黃先生15825662317
浙江區:何先生15825660307
江蘇/上海:潘先生15825662169
郵箱:zjb@daweiele.com/wmb@daweiele.com
地址:浙江省樂清市城東街道城東功能產業區永和二路12號
Copyright © 2016 All right reserved 浙江達威電子股份有限公司版權所有 公安部備案號 33038202003406
浙ICP備11061228號